05 Acura Rl Wiring Diagram

1996 acura slx 4dr suv wiring information.
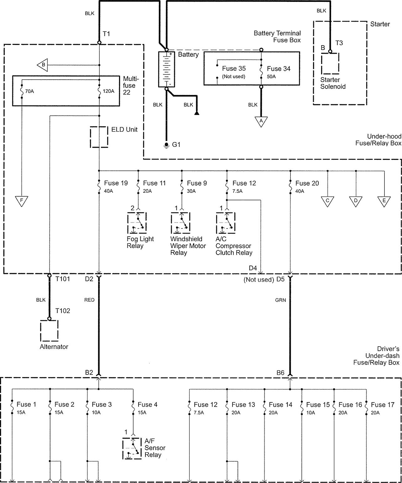
05 acura rl wiring diagram. Some acura car manuals pdf wiring diagrams integra mdx rl tl tsx zdx. Listed below is the vehicle specific wiring diagram for your car alarm remote starter or keyless entry installation into your 2005 2011 acura rl this information outlines the wires location color and polarity to help you identify the proper connection spots in the vehicle. 1997 acura cl 2dr coupe wiring information. Acura rl is a full size executive sedan produced by the japanese company acura from 1996 to 2012 in two generations.
Skip navigation sign in. Acura rl 1996 2004 center radio dashboard removal replacement instructions. 1997 acura rl 4dr sedan wiring information. Acura integra 1994 wiring diagrams instrumentation 3 may 2017 admin 0 acura integra 1994 wiring diagrams instrumentation year of productions.
1998 acura rl 4dr sedan wiring information. Acura check engine light fault codes dtc are above the page. 1999 acura integra 2dr coupe wiring information. Totally free acura wiring diagrams.
Terminal and harness assignments for individual connectors will vary depending on vehicle equipment level model and market. Acura rsx ewd 2006. Operation manual wiring diagrams repair manual and service manual for acura rl cars free download. Continue reading 2005 acura rl battery goes dead while parked.
1998 acura tl 4dr sedan wiring information. The first model of the company was a response to a ban in 1985 on the export of cars to the united states from other countries. Clicking on the link download you agree after reading delete the downloaded file from your computer. Automotive wiring in a 2005 acura rl vehicles are becoming increasing more difficult to identify due to the installation of more advanced factory oem.
Acura was founded in 1986 as the north american division of honda for the sale of prestigious models in the us and canada. Acura 2002 tl car stereo wiring diagram harness. 1997 acura tl 4dr sedan wiring information. This 2005 acura rl came in with the complaint that the battery would go dead if the car sat parked for more than three days straight.
Operating instructions repair manuals and service manuals for the owner of acura rl. Rl replaced the acura legend in the model line and in 2013 it was replaced by the acura rlx in japan all three models were sold as honda legend. Totally free acura wiring diagrams. Acura 2005 tl car stereo wiring diagram harness.
I first connected a jump box connected in parallel to the battery before installing the meter as shown below. Acura rl 2005 radio panel removal replacement instructions. The battery had been replaced a couple of times already.